現貨供應WY-A300*20Q2C/Y磁性回油過濾器
來源:現貨供應WY-A300*20Q2C/Y磁性回油過濾器 瀏覽次數:177次 發布時間:2015-10-08 08:34:38

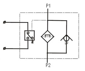
WY-A300*20Q2C/Y磁性回油過濾器概述:
磁性回油過濾器是我廠參考國外先進技術資料及廣大用戶的具體要求而特殊設計的新產品,這些過濾器僅一小部分的濾頭連接部分露在油箱外,其余大部分都是在油箱內部,從而簡化了系統管路,安裝方便,系統排列緊湊美觀。在結構上我們改進了原來管路回油過濾器的龐大結構,考慮到液壓系統內產生量多的還是鐵磁性污染物,所以在回油精過濾前,先經強磁鐵過濾,然后再經二級精密過濾。
這種過濾器設有濾芯污染堵塞發訊器和油路旁通閥,當回油壓力達到0.35Mpa時,發訊器發出開關信號或報警,還可直接從發訊器的表盤上讀出回油壓力值,以提示操作人員及時更換濾芯,保證系統油液的清潔度。更換濾芯只需旋開過濾器端蓋即可。當回油壓力上升至0.4Mpa時,過濾器內的旁通閥便自動卸荷,以避免回油壓力過高造成整個系統工作性能不良。
磁性回油過濾器是我廠參考國外先進技術資料及廣大用戶的具體要求而特殊設計的新產品,這些過濾器僅一小部分的濾頭連接部分露在油箱外,其余大部分都是在油箱內部,從而簡化了系統管路,安裝方便,系統排列緊湊美觀。在結構上我們改進了原來管路回油過濾器的龐大結構,考慮到液壓系統內產生量多的還是鐵磁性污染物,所以在回油精過濾前,先經強磁鐵過濾,然后再經二級精密過濾。
這種過濾器設有濾芯污染堵塞發訊器和油路旁通閥,當回油壓力達到0.35Mpa時,發訊器發出開關信號或報警,還可直接從發訊器的表盤上讀出回油壓力值,以提示操作人員及時更換濾芯,保證系統油液的清潔度。更換濾芯只需旋開過濾器端蓋即可。當回油壓力上升至0.4Mpa時,過濾器內的旁通閥便自動卸荷,以避免回油壓力過高造成整個系統工作性能不良。
技術參數:
| 型號 |
公稱流量 (L/min) |
公稱壓力MPa | 過濾精度Filtr.(μm) | 旁通閥開啟壓力By-(MPa) | 永久磁鋼表面積(cm2) | 尺寸(mm) |
重量 (Kg) |
濾芯型號 |
||||||||||
| H | h | a | b | c | d | e | f | g | k | r | ||||||||
| GP-A300×*Q2C/Y | 300 | 1.6 |
3 5 10 20 30 |
- | 170 | 300 | 278 | 9 | GP300×*Q2 | |||||||||
| GP-A400×*Q2C/Y | 400 | 380 | 358 | 9.7 | GP400×*Q2 | |||||||||||||
| GP-A500×*Q2C/Y | 500 | 570 | 548 | 11.5 | GP500×*Q2 | |||||||||||||
| GP-A600×*Q2 C/Y | 600 | 590 | 568 | 11.8 | GP600×*Q2 | |||||||||||||
| WY-A300×*Q2 C/Y | 300 | 0.3 | 300 | 160 | 55 | 125 | 88.9 | 50.8 | 75 | 265 | 290 | 140 | 60 | 12 | WY300×*Q2 | |||
| WY-A400×*Q2 C/Y | 400 | 410 | 13 | WY400×*Q2 | ||||||||||||||
| WY-A500×*Q2 C/Y | 500 | 500 | 13.8 | WY500×*Q2 | ||||||||||||||
| WY-A600×*Q2 C/Y | 600 | 550 | 15.7 | WY600×*Q2 | ||||||||||||||
| WY-A700×*Q2 C/Y | 700 | 610 | 16.5 | WY700×*Q2 | ||||||||||||||
| WY-A800×*Q2 C/Y | 800 | 716 | 136 | 50 | 116 | 90 | 50 | 50 | 283 | 310 | 183 | 50 | - | WY800×*Q2 | ||||
| 注:*為過濾精度,若使用介質為水一乙二醇,帶發訊器,則過濾器型號為GP·BH-A400x*Q2Y;WY·BH-A400x*Q2Y;濾芯型號為:GP·BH400x*Q2;WY·BH-A400x*Q2 | ||||||||||||||||||
外形尺寸:

聯系人:王經理
聯系方式:0373-2678253 15090471838
Q Q: 2206397446
傳真:0373-3809898
郵箱:wcc@huayufilter.com
地址:新鄉市牧野區小里工業園71號
(責任編輯:現貨供應WY-A300*20Q2C/Y磁性回油過濾器 )
- News
- 供應P173789濾芯濾清器2015-10-08 08:34:38
- 供應CR-125濾芯2015-10-08 08:34:38
- P163567液壓旋裝濾濾芯2015-10-08 08:34:38
- 現貨供應P164375濾芯2015-10-08 08:34:38
- Products
- 供應濾芯P1635422015-10-08 08:34:38
- UE319AP20H/CN1301...2015-10-08 08:34:38
- GGL-2水樣過濾器2015-10-08 08:34:38
- SLAF-8HC/A杭州山立精密...2015-10-08 08:34:38




豫公網安備 41071102000494號